Changshu Herun Import & Export Co., Ltd.
Changshu Herun Import & Export Co., Ltd.
Produkter
Membran tätning med gängad anslutning av membran eller med skyddsplatta
  • Membran tätning med gängad anslutning av membran eller med skyddsplattaMembran tätning med gängad anslutning av membran eller med skyddsplatta
  • Membran tätning med gängad anslutning av membran eller med skyddsplattaMembran tätning med gängad anslutning av membran eller med skyddsplatta
  • Membran tätning med gängad anslutning av membran eller med skyddsplattaMembran tätning med gängad anslutning av membran eller med skyddsplatta

Membran tätning med gängad anslutning av membran eller med skyddsplatta

Model:DS551.36
CSHERUN is a Diaphragm seal with threaded connection Flush diaphragm or with protective plate factory.

Csherun är en membrantätning med gängad anslutning av membran eller med skyddande plattstillverkare. Följande är tillämpningarna av det.

● För mycket viskösa eller kristalliserande medier

● För hårda och slipande medier

● Avskjutning och betongpumpar

● Gruvdrift, tunneling och överbelastning

● Hygieniska applikationer


Specialfunktioner

● Gängad anslutning för att skruva in direkt

● Flush -membran med kompakta dimensioner

● Höga tryck för processindustrin

● Version med skyddsplatta för ökad slitmotstånd

● Vakuummätningsområden



Specifikationer


Processanslutning

Ytterligare materialkombinationer för speciella processtemperaturer och processanslutningar på begäran


Materialkombinationer för versioner med membran


Materialkombinationer för versioner med skyddsplatta

1) Den maximala tillåtna processtemperaturen för membrantätningssystemet begränsas av sammanfogningsmetoden, av systemfyllningsvätskan och av mätinstrumentet.



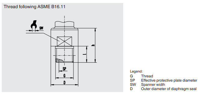
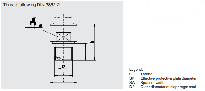
Dimensioner mm [i]
Spola membran tätning med membran




Dimensioner i mm [i]
Version: Membran tätning med skyddsplatta

På grund av den höga nötningsmotståndet hos skyddsplattan är denna version särskilt lämplig för tryckmätningar med slipmedier. Den chockbeständiga och nötningsresistenta skyddsplattan ökar motståndskraften hos membranens tätningssystem. Skyddsplattan är dimension tillräckligt tjockt att den tål nötning av mediet under lång tid.





Membran tätning:

Membran tätningsmodell / processanslutning (processanslutning standard, tråd, nominell tryckklassificering) / material (överkroppen av membran tätning, membran eller skyddsplatta med tätning) / spolning (pluggskruv) / anslutning till mätinstrumentet / nivån på renhet av fuktade delar / ursprung för fuktade delar / certifikat


Membran tätningssystem:

Membran tätningsmodell / processanslutning (processanslutning standard, tråd, nominell tryckklassificering) / material (överkroppen i membranetätning, membran eller skyddsplatta med tätning) / spolning (pluggskruv) / tryckmätningsmodell (per datablad) / montering (direktmontering, kylelement, kapillär) / min. och Max. Processtemperatur / min. och Max. Omgivningstemperatur / vakuumtjänst / systemfyllning av vätska / certifikat / höjdskillnad / renhetsnivå för fuktade delar / ursprung för fuktade delar / instrumentmonteringsfäste

Hot Tags: Membranetätning med gängad anslutning, Kina, tillverkare, leverantör, fabrik, kvalitet, tillverkad i Kina
Skicka förfrågan
Kontaktinformation
Om du har några frågor om offert eller samarbete får du gärna maila eller använda följande förfrågningsformulär. Vår säljare kommer att kontakta dig inom 24 timmar.
X
Vi använder cookies för att ge dig en bättre webbupplevelse, analysera webbplatstrafik och anpassa innehåll. Genom att använda denna sida godkänner du vår användning av cookies. Sekretesspolicy
Avvisa Acceptera